客服软件

您当前的位置:首页 > 霍尼韦尔 > A.O.史密斯模块锅炉系统在工厂项目中的应用

A.O.史密斯模块锅炉系统在工厂项目中的应用

来源:pure365    日期:2016年08月29日    点击数:

工程概况
  德国宝峨集团是国际最著名的专业基础工程承包商及设备制造商之一。宝峨(天津)机械工程有限公司成立于1995年,主要从事各类旋挖钻机的组装及宝峨德国在中国的机械设备的售后服务工作。项目总建筑面积33,276 m²,其中办公楼建筑面积2,660 m²,高度 3.6m,供暖末端为高温热风机,室内设定温度22℃;厂房建筑面积30,616 m²,高度16 m,供暖末端为风机盘管及散热器,室内设定温度为16℃;供暖周期为11月 15日至次年03月15日,共计04个月。

  供暖热负荷计算

  根据《全国民用建筑工程设计技术措施 : 暖通空调•动力 (2009 年版 )》中供暖热指标参考数值,办公类建筑(采取节能措施)供暖热负荷指标50~70 W/m²,此处选值50 W/m²;厂房供暖热负荷指标经计算,取值110W/m²。

  供暖热负荷为:Qs=Anqs
    式中Qs为供暖所需热负荷,W;An为供暖建筑面积,m²;qs供暖热指标推荐值,W/m²。经计算,办公:2,660m²×50 W/m²= 133,000 W=133 kW;厂房:30,616m²×110 W/m²=3,367,760 W =3,368 kW。供暖热负荷总计为133 kW+3,368 kW=3,501 kW。

  选型计算

  本项目选用A.O.史密斯商用直流式燃气热水锅炉GB-2500,其额定输入热负荷为657kW,热效率为92%。

  商用直流式燃气热水锅炉

  型号:GB-2500

  额定输入热负荷:657 kW,564,918kcal/h

  热效率:≥92%

  燃气耗量:66 m³/h

  最大工作压力:1.05 MPa

  长×净深×高 :2,522 mm×778 mm×1,092 mm

  重量:719 kg

  所需设备台数=供暖负荷÷锅炉输出功率,即3,501÷657÷0.92 =5.79,可选用6台GB-2500为办公区和厂房提供建筑供暖。

  实际应用

  该项目采用模块锅炉系统,使用6台锅炉为系统供热,用户根据工厂的作息时间、室内需求温度及室外温度的变化,在0~6台之间自由调整锅炉的运行台数,保证锅炉供热量和系统需热量精确匹配,实现系统的高效运行。下班后采用低温运行方式,启动1~2台锅炉阶段性运行,确保室内温度不低于5℃即可。

图1 宝峨机械锅炉房实景图

A.O. 史密斯模块锅炉系统与市政热力的经济性对比

  该项目的热源原定使用市政热力,入网费收费标准为160元/m²(建筑高度≤3.6 m),供暖季收费标准为40元 /m²(建筑高度≤3.6 m)。

A.O. 史密斯模块锅炉系统在此项目中,2014-2015年供暖季天然气耗量共计210,250 m³,结合当地天然气价格为3.65元 /m³。

表1 A.O. 史密斯模块锅炉系统与市政热力对比表

  由表1可见,相比市政热力在工厂项目中的应用,A.O. 史密斯模块锅炉系统不仅在初投资,更是在后期运行时节省了相当可观的费用。

模块锅炉系统在工厂项目中的应用优势

模块锅炉系统的节能性

  我国传统大容量锅炉一般采用“单台全供”的模式,即1台锅炉供应所有供暖/热水需求。由于单台功率较大,绝大多数情况下输出负荷均大于用户实际需求,或因锅炉在部分负荷工况下导致运行效率衰减,造成能源浪费。

       A.O.史密斯因此率先提出“模块锅炉系统 VOM”的概念——将大容量的锅炉拆分为小容量锅炉,台数相应增多,用户可以根据实际需热量的动态变化来调整运行锅炉的台数。这样的模块化设计可大大提高设备及投资的利用效率、运行安全性。采用模块化解决方案的用户,最直接的利益就是节省了运行费用(见图 2)。


图2 热负荷供需比较图
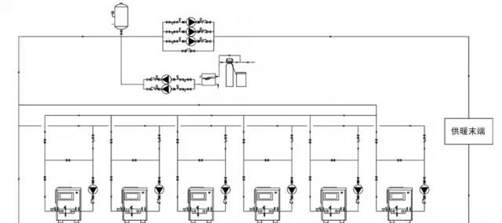
  一次 / 二次系统,系统高效利用,稳定、节能

  一次 / 二次系统(见图 3)是通过“紧凑型三通”将整个系统分隔为两个水力工况相对独立的回路 :热水生产和热水输送,各区均设有循环泵负责提供本区循环动力。

  此系统应用在多种供暖末端场所时,各系统间相互独立,互不影响,运行稳定 ;锅炉待机时水流不通过,按需加热、按需输出,热损失大大降低 ;系统循环水泵的扬程相较于非一次 / 二次系统中的一次侧循环水泵的扬程降低约30%~60%,功率可以降低约 30%~60%。

图3 一次 / 二次系统示意图

紧凑型三通是什么?它的作用是什么?

A:事实上它就是在系统管路上较短距离开两个口,一个是供水至热源,一个是从热源回水。它其实起到换热的作用,但不像板换存在效率损失,类似于在这一小段管路中进行混水;这两个点之间的压力损失随着两点之间的距离减短而减少,假设两点重叠在一起那么压损就是零,如果两点之间距离很短时,其间的压损就近乎为零,那么这两个区域不会受到相互的干扰。